-
3.0V-18.0V大功率直流电机驱动芯片BDR6125,中山双向电机驱动IC 持续电流 4.50A,峰值 7.5A
发布时间:2026-01-213.0V-18.0V大功率直流电机驱动芯片BDR6125,双向电机驱动IC 持续电流 4.50A,峰值 7.5A产品概述 BDR6125是一款DC双向电机驱动电路,适用于智能锁、个人护理、宠物电器等电机驱动产品。具有两个逻辑输入端子用来控制...
查看详情 -
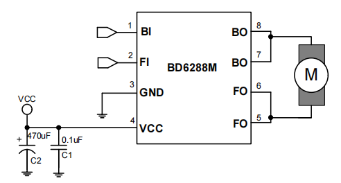
DC中山双向马达驱动芯片 BD6288M 有刷直流电机驱动IC
发布时间:2025-04-13DC双向马达驱动芯片 BD6288M 有刷直流电机驱动IC产品概述 BD6288M 是一款 DC 双向马达驱动电路,它适用玩具等类的电机驱动、自动阀门电机驱动、电磁门锁驱等。它有两个逻辑输入端子用来控制电机前进、后退及制动。该电路具有良好...
查看详情



服务热线
公司地址:
公司邮箱: