发布时间:2025-10-13 03:00:00来源:http://zs.szxunrui.cn/news1079834.html
深圳市迅瑞创芯科技有限公司为您免费提供中山马达驱动IC,中山LED手电筒控制IC,中山DCDC升压IC等相关信息发布和资讯展示,敬请关注!
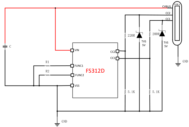
USB Type-C PD3.2快充协议智能触发芯片 FS312D
FS312D 可是个“社交达人”,它能和各类 USB Type-C 设备“打成一片”,自动识别充电协议。再也不用担心充电器不兼容啦!
芯片内置“智能大脑”,通过 FUNC1/FUNC2 引脚设置申请电压。如果充电器不支持这个电压,它还会自动降档,找到最接近的电压,确保设备始终能充电。简直是“充电界的贴心小助手”!
支持 5V、9V、12V、15V、20V 多种电压输出,适配不同设备的充电需求。无论是手机、平板还是笔记本,它都能轻松应对,真正做到“一芯在手,充电无忧”。
芯片供电可以直接连接高压电源,省去了额外的 LDO,让电路设计更简单,成本更低。设计师们,你们的福音来了!
别看它身材小巧(SOT23-6 封装),能量可大着呢!适合各种空间受限的应用场景,比如转换头、线材等。小巧玲珑,却功能强大,简直是“充电界的迷你超人”!
芯片抗静电能力超强(ESD HBM ±4KV),工作温度范围广(-40°C ~ 105°C),无论是寒冷的冬天还是炎热的夏天,它都能稳定工作,简直是“充电界的硬汉”!

中山马达驱动IC哪家好?中山LED手电筒控制IC报价是多少?中山DCDC升压IC质量怎么样?深圳市迅瑞创芯科技有限公司专业承接中山马达驱动IC,中山LED手电筒控制IC,中山DCDC升压IC,锂电充电IC,,电话:0755-86003350
相关新闻recommendation