-
YX861C 是一款支持LED 常亮和闪亮两功能 的中山太阳能灯串控制芯片
发布时间:2025-10-28YX861C 是一款支持LED 常亮和闪亮两功能 的太阳能灯串控制芯片特性 * 输入电压范围:0.9V 至 2.7V * 效率高达 85% * 太阳能充电电流达 300mA * LED 常亮和闪亮功能可选 * LED 亮、灭时间可调 * 放...
查看详情 -
LED 常亮和闪亮两功能 的中山太阳能灯串控制芯片 YX861C
发布时间:2025-10-25LED 常亮和闪亮两功能 的太阳能灯串控制芯片 YX861C特性 * 输入电压范围:0.9V 至 2.7V * 效率高达 85% * 太阳能充电电流达 300mA * LED 常亮和闪亮功能可选 * LED 亮、灭时间可调 * 放电电流大小...
查看详情 -
高精度、低压差、低电流消耗的三端中山降压型稳压器 XS75HXX系列
发布时间:2025-10-22高精度、低压差、低电流消耗的三端降压型稳压器 XS75HXX系列功能说明XS75HXX系列是高精度、低压差、低电流消耗的三端降压型稳压器,输入电压支持最高30V输入。典型2uA的静态功耗,满足便携式设备要求。内部集成高精度的参考电压源和输出...
查看详情 -
8W、超低 EMI、AB/D 类可选、单声道、带过热保护功能中山音频功放芯片XS9971
发布时间:2025-10-198W、超低 EMI、AB/D 类可选、单声道、带过热保护功能音频功放芯片XS9971一、芯片功能说明* XS9971 是一款低 EMI,无需滤波器,AB/D 类可选式音频功率放大器。6V 工作电压时,最大驱动功率为 8W(VDD=6V,2Ω...
查看详情 -
FM3450C 中山3节串联用锂电池保护IC
发布时间:2025-10-16FM3450C 3节串联用锂电池保护IC概述 FM3450C 是内置高精度电压检测电路和延迟电路的 3 节串联用锂离子/锂聚合物电池保护 IC。特点 (1)针对各节电池的高精度电压检测功能 过充电检测电压 4.25V精度±25 mV 过充电...
查看详情 -
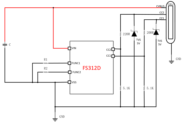
USB Type-C PD3.2快充协议智能触发芯片 中山FS312D
发布时间:2025-10-13USB Type-C PD3.2快充协议智能触发芯片FS312DFS312D 可是个“社交达人”,它能和各类 USB Type-C 设备“打成一片”,自动识别充电协议。再也不用担心充电器不兼容啦!芯片内置“智能大脑”,通过 FUNC1/F...
查看详情



服务热线
公司地址:
公司邮箱: